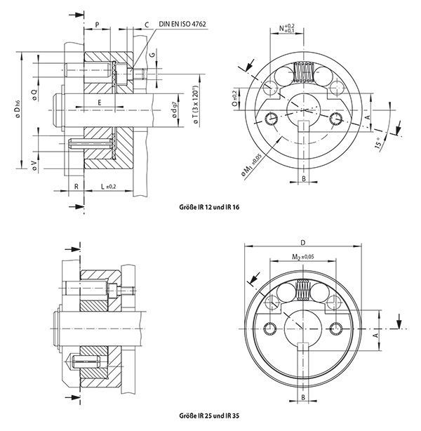
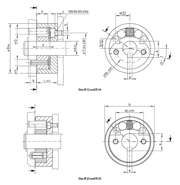
Irreversible Locks IR

IR Zeichnung E

Selection

Please note that for this model max. 1 selection is possible.

  Type Type description MAKTX sachnummer Weight Type Size Design d
[mm]
D
[mm]
L
[mm]
IR 12 4883-021101-000000 0,15 IR 12 R 12 42 17,7
IR 16 4883-024101-000000 0,22 IR 16 R 16 48 20,4
IR 25 4883-044101-025H35 1,1 IR 25 R 25 85 30
IR 35 4883-068101-000000 3,3 IR 35 R 35 120 45

No claims for liability or warrenty claims can be derived from use of the CAD-Files.

All CAD-Files have benn produced with the greatest of care. In spite of this, they serve merely for the purpose of illustration.

Only design drawings which have been released by RINGSPANN are binding.

File format:

Login

Contact us

Great Britain


 



RINGSPANN (U.K.) LTD.

3, Napier Road

Bedford MK41 0QS

Great Britain



+44 1234 34 25 11

 

info@ringspann.co.uk

 

www.ringspann.co.uk

*

 

 

* *

 

*

 

 

*

250 / 250 characters

 

I accept the privacy policy *

By accepting the box you agree to receive information about our company and our news (products, catalogs ...).


 I am not a robot

 


* The fields marked with a star are required fields.